Antifurto Casa Bticino

Antifurto Casa Allarme Casa

Antifurto Casa Allarme Casa

Antifurto Filiare Casa Sistemi Allarme Per Casa Bticino

Antifurto Filiare Casa Sistemi Allarme Per Casa Bticino

Antifurto Bticino Prezzo Come Si Calcola Emmebiblog Il Blog Elettrico

Antifurto Bticino Prezzo Come Si Calcola Emmebiblog Il Blog Elettrico

Offertissima Kit Antifurto Bticino Mhkit8515

Offertissima Kit Antifurto Bticino Mhkit8515

Myhome Up Antifurto E Allarmi Casa Bticino Professionisti

Myhome Up Antifurto E Allarmi Casa Bticino Professionisti

Nuovo Antifurto Filare Bticino Professionisti

Nuovo Antifurto Filare Bticino Professionisti

Nuovo Antifurto Filare Bticino Professionisti

L antifurto my home che va per la maggiore e senza dubbio l il kit antifurto bticino mhkit8515 che in questo momento puoi di questo antifurto bticino il prezzo e di 339 euro.

Antifurto casa bticino. Sicurezza e protezione per la tua casa. La valutazione di qualsiasi articolo comporta la competenza di taluni aspetti fondamentali attraverso i quali riesci ad attuare le giuste riflessioni prima di mettere in atto un compera per antifurto casa bticino prezzi. Kit antifurto radio bticino c100g 1.

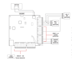
Come si sceglie il miglior antifurto casa bticino prezzi del 2020. Cuore del sistema è la centrale disponibile in 4 versioni dotata di 10 ingressi espandibili fino a 128 per il collegamento dei sensori e dei contatti magnetici e di 1 ingresso per il collegamento a bus dei dispositivi inseritori e di segnalazione. Sistemi allarme per la casa.

4 2 su 5 stelle 530. L antifurto myhome è un sistema sicuro ed efficace per la protezione di beni e persone in grado di rilevare eventuali intrusioni e segnalare tempestivamente l evento per mezzo di allarmi sonori visivi e con messaggi telefonici. Antifurto per casa appartamento.

Il kit antifurto include la centrale di controllo dell impianto due sensori a infrarossi una sirena da esterno e un alimentatore compatto. Per proteggere la tua casa e i tuoi famigliari l antifurto bticino è un sistema d antifurto efficace e sicuro che utilizza allarmi sonori visivi e messaggi telefonici. Questo kit comprende al suo interno la centrale 3485std la sirena esterna l alimentatore due sensori ir e una confezione di configuratori.

L antifurto può anche realizzare funzioni di safety quali il telesoccorso per anziani e la protezione della casa nei confronti di fughe di gas o di. Sistemi allarme per la casa. L antifurto bticino è un sistema d allarme efficace e sicuro che utilizza allarmi sonori visivi e messaggi telefonici.

L antifurto per casa appartamento di bticino è un sistema d allarme efficace e sicuro che utilizza allarmi sonori visivi e messaggi telefonici. Se desideri un antifurto per la casa efficace e con la possibilità di espanderlo in futuro bticino ha la soluzione che fa per te. La tua casa merita un sistema antifurto efficiente e dalle prestazioni elevate per questo bticino ha sviluppato un allarme innovativo connesso e controllabile da smartphone con la app dedicata.

Antifurto Filare Bticino Professionisti

Antifurto Filare Bticino Professionisti

Antifurto E Domotica Come Integrare L Allarme Nella Casa Intelligente

Antifurto E Domotica Come Integrare L Allarme Nella Casa Intelligente

Kit Allarme Bticino Kit16zip Amazon It Commercio Industria E Scienza

Kit Allarme Bticino Kit16zip Amazon It Commercio Industria E Scienza

Kit Antifurto Bticino Bt Kit48zip Centrale 48 Zone Ip Tastiera Sirena Sensori

Kit Antifurto Bticino Bt Kit48zip Centrale 48 Zone Ip Tastiera Sirena Sensori

Bticino 3485std Mh Centrale Antifurto Base Amazon It Commercio Industria E Scienza

Bticino 3485std Mh Centrale Antifurto Base Amazon It Commercio Industria E Scienza

Come Installare Un Antifurto Casa Schemi E Consigli

Come Installare Un Antifurto Casa Schemi E Consigli

Miglior Antifurto Casa 2020 2021 Costi Prezzi Come Scegliere Allarme

Miglior Antifurto Casa 2020 2021 Costi Prezzi Come Scegliere Allarme

Antifurto Casa Bticino Sicurezza E Protezione Per La Tua Casa

Antifurto Casa Bticino Sicurezza E Protezione Per La Tua Casa

Bticino 4200 Allarme Antifurto Casa Myhome Scheda Centrale 16 In Out Ip Ebay

Bticino 4200 Allarme Antifurto Casa Myhome Scheda Centrale 16 In Out Ip Ebay

Nuovo Antifurto Filare La Soluzione Professionale Bticino Youtube

Nuovo Antifurto Filare La Soluzione Professionale Bticino Youtube

Nuovi Kit Per Il Confort La Gestione Energia E La Sicurezza Nella Casa Bticino Professionisti

Nuovi Kit Per Il Confort La Gestione Energia E La Sicurezza Nella Casa Bticino Professionisti

Bticino 3485b Centrale Antifurto Polix Ebay

Bticino 3485b Centrale Antifurto Polix Ebay

Bticino Kit Antifurto Radio C100g 1 Centrale Sicurezza Antintrusione Casa Sicura Ebay

Bticino Kit Antifurto Radio C100g 1 Centrale Sicurezza Antintrusione Casa Sicura Ebay

Bticino Axolute Whice Videostation Residencial Automacao

Bticino Axolute Whice Videostation Residencial Automacao

Pannelli Didattici Bticino

Pannelli Didattici Bticino

Source : pinterest.com